工業離合器▪制動器智能系統解決方案提供商! 0551-68931091
15357900871
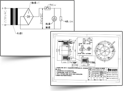
01專注于離合器方案電控系統
十六年離合器生產應用配套經驗,為您提供全套非標優化方案
02產品質量可靠,性價比高
選材精良、高技術處理、按照國家標準測試
03專業、高效、優質的服務
資深技術人員,專業服務流程
04坦誠、開放、激情
我們只追求合理利潤,愿與客戶長期共贏。
合肥科潤機械設備有限公司依托于機床研究所,從事于當代新型離合器、電磁離合器、單片電磁離合器、干式單片電磁離合器、雙離合器組合、制動器、電磁制動器、失電制動器、剎車、電磁剎車、干式單片電磁剎車、失電剎車、離合器剎車組合、離合器剎車電機組合、制動電機、以及印刷包裝機、織機等專用離合器的研究與生產,還承接同類進口產品的維修業務。 前身是成立于








Q制動電機運行成本受哪些因素影響?
A 制動電機的運行成本受能效等級、制動損耗、負載特性、維護費用及電價政策等多重因素影響,具體分析如下: 一、能效等級直接影響電費支出 高能效電機的節電效果 IE3 vs IE2:以5.5kW制動電機為例,IE3電機效率比IE2高約2%,年運行3000小時可省電約330kWh(按0.8元/kWh計算,年省264元)。 IEQ制動電機能效等級劃分有哪些具體要求?
A制動電機的能效等級劃分需結合國際及國內標準,核心要求包括效率、功率因數、損耗限制及認證合規性,具體要求如下:一、國際標準(IEC體系)要求效率分級IEC 60034-30標準:將電機能效分為IE1(標準效率)、IE2(高效率)、IE3(超高效率)、IE4(超超高效率)、IE5(頂級效率)五級。制動電機需參照該標準測試效率,但需扣除制動部分損耗Q制動電機在潮濕環境下如何防銹?
A制動電機在潮濕環境下防銹,可從外殼、軸等部件的材質選擇、表面處理、結構設計以及維護保養等多方面入手,以下為你詳細介紹:材質選擇外殼材質:優先選用不銹鋼材質制作電機外殼。不銹鋼具有良好的耐腐蝕性,能在潮濕環境中有效抵抗水汽和化學物質的侵蝕,不易生銹。例如304不銹鋼,在一般的潮濕環境中能長期保持較好的外觀和性能,減少因外殼生銹導致的電機密封性下降等問題。軸材Q特殊環境下制動電機有哪些特殊要求?
A在特殊環境下,制動電機有以下特殊要求:高溫環境(冶金、烘焙等場景)耐溫性能:制動器需具備較高的耐溫能力,一般要耐溫150℃以上。例如陶瓷摩擦片,其工作溫度范圍可達 - 40℃~200℃,能適應高溫環境下的長時間運行。像某鋼鐵廠軋機電機,選用耐溫180℃的液壓制動電機后,連續運行2年都未出現故障,保障了生產的穩定進行。材料穩定性:電機內部的絕緣Q這種制動器適用于哪些特殊工作環境?
A步進電磁制動器適用于多種特殊工作環境,以下為你詳細介紹:極端溫度環境高溫環境:部分步進電磁制動器能在高溫條件下正常工作。例如,北京和利時電機生產的寬溫步進驅動器和電機配套的制動器,可在零上60度高溫下穩定運行,適用于鋼鐵冶煉設備附近的傳動系統、高溫車間內的自動化設備等場景。在這些環境中,高溫可能導致普通制動器的潤滑油變質、零部件熱膨脹,影響制動性能,而寬溫型制動器通過特我要留言
如果您有留言需求,請在此填寫您的信息,我們工作人員將在24小時內和您聯系地址:安徽省合肥市經濟技術開發區始信路與湯口路交口
電話:0551-68931091 傳真:0551-62879750
Copyright © 版權歸合肥科潤機械設備有限公司所有,未經授權,任何其他公司或個人均不允許來復制、抄襲! 備案號: 皖ICP備15004941號-2 keywords:電磁離合器地圖 電磁離合器地圖
微信掃一掃,索取圖紙解決方案
圖紙下載
技術咨詢 在線客服
0551-68931091